Línea de producción de automóviles cadena transportadora Es usde para la línea de producción de automóviles. Tenemos más de 12 años de experiencia en el suministro de ensamblajes para la línea de producción de automóviles y posee una superioridad técnica líder en el campo de cadena transportadora. Durante 12 años, hemos proporcionado numerosas líneas de producción de automóviles. cadenas transportadoras Para Beijing HYUNDAI, Mazda, etc., especialmente la línea de pulverización. cadena, que puede funcionar de forma fiable durante mucho tiempo en temperaturas de hasta 300 ° C y tiene una larga vida útil.



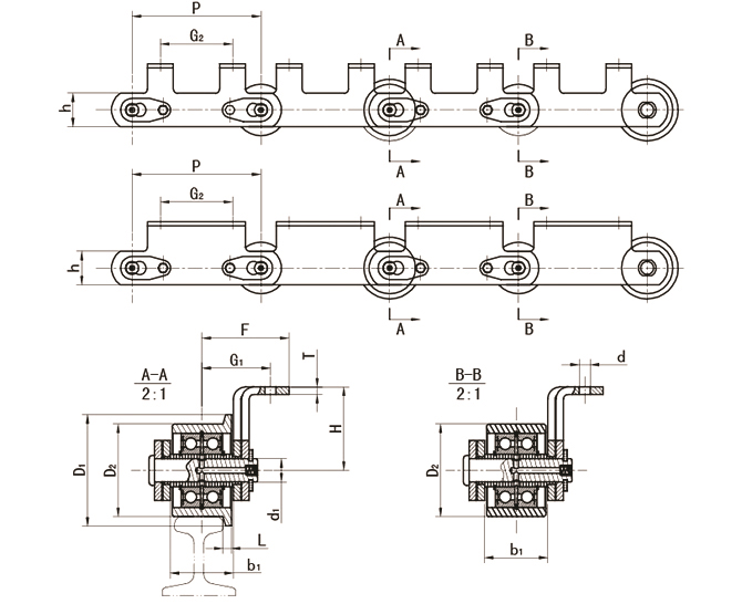
| Modelo | Paso | Rodillo | Pin | Altura de la placa | Espesor de la placa | Ancho entre placa interior | Altura de fijación | Altura de flexión | Distancia del orificio de fijación | Distancia del agujero | Rodillo lateral | Fuerza | ||||||||||||
| P mm | D1 mm | D2 mm | L mm | d1 mm | h mm | T mm | b1 mm | H mm | F mm | G1 |
|
|
| d mm | D3 mm | L2 mm | Q KN | |||||||
| M80 | 80 | 100 | 125 | 160 | 200 | 250 | 315 | 65 | 50 | 6 | 12 | 36 | 6 | 27 | 65 | 160 | 96 | ![]() | ![]() | ![]() | 11 | 40 | 30 | 80 |
| M112 | 100 | 125 | 160 | 200 | 250 | 315 | 400 | 75 | 60 | 7 | 15 | 41 | 7 | 31 | 70 | 184 | 110 | ![]() | ![]() | ![]() | 14 | 40 | 30 | 112 |
| M160 | 125 | 160 | 200 | 250 | 315 | 400 | 500 | 90 | 70 | 8.5 | 18 | 51 | 8 | 36 | 80 | 200 | 124 | ![]() | ![]() | ![]() | 14 | 45 | 35 | 160 |
| M224 | 160 | 200 | 250 | 315 | 400 | 500 | 630 | 105 | 85 | 10 | 21 | 62 | 8 | 42 | 90 | 228 | 140 | ![]() | ![]() | ![]() | 18 | 50 | 35 | 224 |
| M315 | 200 | 250 | 315 | 400 | 500 | 630 | 125 | 100 | 12 | 25 | 72 | 10 | 47 | 100 | 250 | 160 | ![]() | ![]() | ![]() | 18 | 70 | 40 | 315 | |
| M450 | 200 | 250 | 315 | 400 | 500 | 630 | 800 | 150 | 120 | 14 | 30 | 82 | 12 | 55 | 115 | 280 | 180 | ![]() | ![]() | ![]() | 18 | 75 | 40 | 450 |
| M630 | 250 | 315 | 400 | 500 | 630 | 800 | 1000 | 175 | 140 | 16 | 36 | 103 | 14 | 65 | 130 | 380 | 230 |
| ![]() | ![]() | 24 | 90 | 50 | 630 |
| M900 | 315 | 400 | 500 | 630 | 800 | 1000 | 210 | 170 | 18 | 44 | 123 | 16 | 76 | 160 | 480 | 280 | ![]() | ![]() | ![]() | 30 | 90 | 50 | 900 | |

0
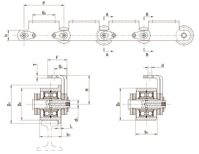
| Modelo | Paso | Rodillo | Pin | Altura de la placa | Espesor de la placa | Ancho entre placa interior | Altura de fijación | Altura de flexión | Distancia del orificio de fijación | Distancia del agujero | Fuerza | |||||||||||
| P mm | D1 mm | D2 mm | L mm | d1 mm | h mm | T mm | b1 mm | H mm | F mm | G1 |
|
|
| d mm | Q KN | |||||||
| M80 | 80 | 100 | 125 | 160 | 200 | 250 | 315 | 65 | 50 | 6 | 12 | 36 | 6 | 27 | 65 | 80 | 48 | ![]() | ![]() | ![]() | 11 | 80 |
| M112 | 100 | 125 | 160 | 200 | 250 | 315 | 400 | 75 | 60 | 7 | 15 | 41 | 7 | 31 | 70 | 82 | 55 | ![]() | ![]() | ![]() | 14 | 112 |
| M160 | 125 | 160 | 200 | 250 | 315 | 400 | 500 | 90 | 70 | 8.5 | 18 | 51 | 8 | 36 | 80 | 100 | 62 | ![]() | ![]() | ![]() | 14 | 160 |
| M224 | 160 | 200 | 250 | 315 | 400 | 500 | 630 | 105 | 85 | 10 | 21 | 62 | 8 | 42 | 90 | 114 | 70 | ![]() | ![]() | ![]() | 18 | 224 |
| M315 | 200 | 250 | 315 | 400 | 500 | 630 | 125 | 100 | 12 | 25 | 72 | 10 | 47 | 100 | 125 | 80 | ![]() | ![]() | ![]() | 18 | 315 | |
| M450 | 200 | 250 | 315 | 400 | 500 | 630 | 800 | 150 | 120 | 14 | 30 | 82 | 12 | 55 | 115 | 140 | 90 | ![]() | ![]() | ![]() | 18 | 450 |
| M630 | 250 | 315 | 400 | 500 | 630 | 800 | 1000 | 175 | 140 | 16 | 36 | 103 | 14 | 65 | 130 | 190 | 115 |
| ![]() | ![]() | 24 | 630 |
| M900 | 315 | 400 | 500 | 630 | 800 | 1000 | 210 | 170 | 18 | 44 | 123 | 16 | 76 | 160 | 240 | 140 | ![]() | ![]() | ![]() | 30 | 900 | |

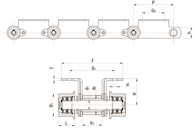
| Modelo | Paso | Rodillo | Pin | Altura de la placa | Espesor de la placa | Ancho entre placa interior | Altura de fijación | Altura de flexión | Distancia del orificio de fijación | Distancia del agujero | Fuerza | |||||||||||
| P mm | D1 mm | D2 mm | L mm | d1 mm | h mm | T mm | b1 mm | H mm | F mm | G1 |
|
|
| d mm | Q KN | |||||||
| M80 | 80 | 100 | 125 | 160 | 200 | 250 | 315 | 65 | 50 | 6 | 12 | 36 | 6 | 27 | 65 | 45 | 25 | ![]() | ![]() | ![]() | 11 | 80 |
| M112 | 100 | 125 | 160 | 200 | 250 | 315 | 400 | 75 | 60 | 7 | 15 | 41 | 7 | 31 | 70 | 55 | 30 | ![]() | ![]() | ![]() | 14 | 112 |
| M160 | 125 | 160 | 200 | 250 | 315 | 400 | 500 | 90 | 70 | 8.5 | 18 | 51 | 8 | 36 | 80 | 55 | 35 | ![]() | ![]() | ![]() | 14 | 160 |
| M224 | 160 | 200 | 250 | 315 | 400 | 500 | 630 | 105 | 85 | 10 | 21 | 62 | 8 | 42 | 90 | 60 | 35 | ![]() | ![]() | ![]() | 18 | 224 |
| M315 | 200 | 250 | 315 | 400 | 500 | 630 | 125 | 100 | 12 | 25 | 72 | 10 | 47 | 100 | 60 | 40 | ![]() | ![]() | ![]() | 18 | 315 | |
| M450 | 200 | 250 | 315 | 400 | 500 | 630 | 800 | 150 | 120 | 14 | 30 | 82 | 12 | 55 | 115 | 72 | 50 | ![]() | ![]() | ![]() | 18 | 450 |
| M630 | 250 | 315 | 400 | 500 | 630 | 800 | 1000 | 175 | 140 | 16 | 36 | 103 | 14 | 65 | 130 | 90 | 60 |
| ![]() | ![]() | 24 | 630 |
| M900 | 315 | 400 | 500 | 630 | 800 | 1000 | 210 | 170 | 18 | 44 | 123 | 16 | 76 | 160 | 110 | 70 | ![]() | ![]() | ![]() | 30 | 900 | |

| Modelo | Paso | Rodillo | Pin | Altura de la placa | Espesor de la placa | Ancho entre placa interior | Altura de fijación | Altura de flexión | Distancia del orificio de fijación | Distancia del agujero | Rodillo lateral | Fuerza | ||||||||||
| P mm | d2 mm | d1 mm | h mm | T mm | b1 mm | H mm | F mm | G1 |
|
|
| d mm | D3 mm | L2 mm | Q KN | |||||||
| M80 | 80 | 100 | 125 | 160 | 200 | 250 | 315 | 25 | 12 | 36 | 6 | 27 | 65 | 160 | 96 | ![]() | ![]() | ![]() | 11 | 35 | 30 | 80 |
| M112 | 100 | 125 | 160 | 200 | 250 | 315 | 400 | 30 | 15 | 41 | 7 | 31 | 70 | 184 | 110 | ![]() | ![]() | ![]() | 14 | 40 | 30 | 112 |
| M160 | 125 | 160 | 200 | 250 | 315 | 400 | 500 | 36 | 18 | 51 | 8 | 36 | 80 | 200 | 124 | ![]() | ![]() | ![]() | 14 | 45 | 35 | 160 |
| M224 | 160 | 200 | 250 | 315 | 400 | 500 | 630 | 42 | 21 | 62 | 8 | 42 | 90 | 228 | 140 | ![]() | ![]() | ![]() | 18 | 50 | 35 | 224 |
| M315 | 200 | 250 | 315 | 400 | 500 | 630 | 50 | 25 | 72 | 10 | 47 | 100 | 250 | 160 | ![]() | ![]() | ![]() | 18 | 70 | 40 | 315 | |
| M450 | 200 | 250 | 315 | 400 | 500 | 630 | 800 | 60 | 30 | 82 | 12 | 55 | 115 | 280 | 180 | ![]() | ![]() | ![]() | 18 | 90 | 40 | 450 |
| M630 | 250 | 315 | 400 | 500 | 630 | 800 | 1000 | 70 | 36 | 103 | 14 | 65 | 130 | 380 | 230 |
| ![]() | ![]() | 24 | 95 | 50 | 630 |
| M900 | 315 | 400 | 500 | 630 | 800 | 1000 | 85 | 44 | 123 | 16 | 76 | 160 | 480 | 280 | ![]() | ![]() | ![]() | 30 | 100 | 50 | 900 | |






Línea de producción de automóviles cadena se refiere principalmente a todo tipo de cadenas de transporte Utilizado en el sistema de transporte logístico de fabricación de automóviles según las necesidades de los clientes.
Se proporcionan cadenas con varios estilos y diferentes funciones para diferentes campos de producción.
Todo tipo de cadenas transportadoras tienen las siguientes características:
1. Cadena de barra oscilante: El diseño del rodillo externo y la estructura del orificio de inyección de aceite se adoptan para lograr un funcionamiento estable de la cadena y prolongar su vida útil.
2. Cadena de línea de sala de secado: Se adopta un diseño especial para cumplir con las condiciones de trabajo de 250 ℃ de alta temperatura y garantizar el funcionamiento confiable de la línea de producción.
3. Cadena de línea de pintura: Se seleccionan materiales de alta calidad y fabricación de precisión para cumplir con el uso en entornos específicos.
4. Cadena de la máquina viajera: especialmente diseñado de alta resistencia cadena de rodillos y la cadena excéntrica con paso grande garantizan el funcionamiento eficiente de diferentes líneas de producción.
5. Cadena antideslizante: Con un diseño de estructura antideslizante, puede evitar que la carrocería del automóvil se deslice hacia abajo y garantizar el funcionamiento seguro de la línea de producción.
6. Cadena de empuje: A través de un diseño optimizado, los productos se utilizan ampliamente en procesos de pintura, soldadura, secado y otros, para garantizar el buen funcionamiento del automóvil que transporta la carrocería del automóvil en la pista.
7. Cadena de línea de lluvia: fabricado en acero inoxidable de alta calidad y precisión. Puede satisfacer las necesidades de funcionamiento a largo plazo en el entorno acuático.
8. Cadena de línea de montaje: De acuerdo con las características de la línea de producción, los principales productos incluyen todo tipo de cadenas transportadoras dentadas y cadenas transportadoras de paso largo, con resistencia a la tracción superior a 45okN.